热继电器是一种基于电流热效应工作的保护装置,通过监测电流变化来触发动作,通常用于过载保护。其主要优点包括结构简单、价格低廉,但缺点也很明显:
2025-01-03 科威
热继电器的整定是指根据电动机的额定电流,调整热继电器的整定电流,使其在电动机过载时能够及时动作,从而起到保护作用。以下是热继电器整定的具体方法和步骤:
我走到操作室,首先查看励磁柜,也没有报警显示的呀,调试一下励磁装置也正常。
2024-10-18 科威
调校前准备 ①检查被校仪表外观,铭牌应完整、清楚,并注明型号、规格、位号等,应标记高、低压容室,表涂层完好、无锈蚀,内部零部件完整无损,无影响使用和计量性能的缺陷。
2024-08-23 科威
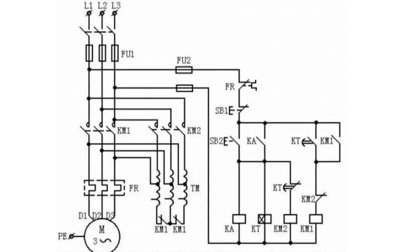
常用低压电器的安装与调试
2023-08-15 科威
电机的重载和轻载保护值,你还在乱设吗?是有规矩的,看完就懂了
2023-08-11 科威
关于电气自锁、互锁和联锁电路知识分享
2023-06-13 科威
分享抽屉式柜故障处理过程
2022-10-21 科威