新闻动态
KWZK科威自控集团
万象城(中国)
关于我们
公司简介
在线反馈
联系我们
产品展示
全部
传感器/变送器
流量计系列
液位/料位系列
阀门/执行装置
液压/气动元件
检维修工器具
化验/分析仪器
其他机电仪产品
新闻动态
全部
行业知识
企业新闻
资料下载
客户案例
新闻动态
推荐
热门
最新
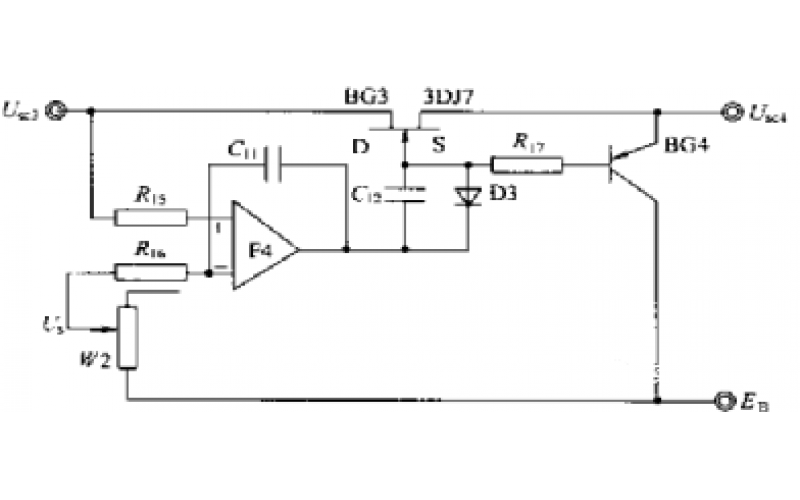
KW-K100系列开方器小信号切除故障分享
KW-K100系列开方器小信号切除故障分享
2022-10-08
科威
上一页
1
下一页
转至第
首页
产品
新闻
联系
J9.COM
|
华亿平台_华亿(中国)
|
半岛买球
|
乐动平台
|
万象城在线
|
乐动网页版登录入口
|
UED在线平台体育(中国)唯一官方网站
|
PINBO.COM
|
华亿手机版
|